|
Great as spare part
for scales or for commercial, industrial and experimental
purpose.It's economical and highly accurate.
For several years, we have manufactured load cells for our
scales and supplied internationally for other businesses and
manufacturers.
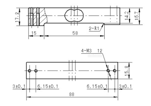
OUTLINE DIMENSIONS

SPECIFICATION
|
Capacity
|
KG
|
10
|
|
RATED OUTPUT
|
mV/V
|
1.0±0.10
|
|
INPUT IMPEDANCE
|
Ω
|
350±50
|
|
OUTPUT IMPEDANCE
|
Ω
|
350±50
|
|
INSULATION RESISTANCE
|
MΩ
|
≥2000
|
|
EXCITATION VOLTAGE
|
V(DC)
|
≤10
|
|
OPERATING TEMPERATURE
|
șC
|
-10~+40
|
|
SAVE OVERLOAD
|
%F.S.
|
150
|
|
PRECISION GRADE
|
%F.S.
|
0.1
|
|
NONLINEARITY
|
%F.S.
|
0.05
|
|
REPEATABILITY
|
%F.S.
|
0.05
|
|
HYSTERESIS
|
%F.S.
|
0.05
|
|
CREEP
|
%F.S.(5min.)
|
0.05~0.1
|
|
OUTPUT EFFECT ON ZERO
|
%F.S.(5min.)
|
0.05~0.1
|
|
ZERO BALANCE
|
mV/V
|
≤±0.50
|
|
TEMPERATURE EFFECT ON ZERO OF RATED
OUTPUT
|
%F.S./10șC
|
≤+0.10
|
|
TEMPERATURE EFFECT ON OUTPUT OF APPLIED LOAD
|
%F.S./10șC
|
≤±0.25
|
|
|
|