|
SPECIFICATIONS:
|
Capacity |
t |
0.5,1,2,2.5,3,4,5,8,10 |
|
Combined Error |
%FS |
0.02 |
Temperature effect on span |
%FS/10℃ |
0.02 |
|
Rated Output |
mV/V |
2.0±0.004 |
Temperature effect on zero |
%FS/10℃ |
0.02 |
|
Non-linearity |
%FS |
0.02 |
Temperature,compensated |
℃ |
-10--+40 |
|
Hysteresis |
%FS |
0.02 |
Temperature,operating |
℃ |
-35--+65 |
|
Non-repeatability |
%FS |
0.01 |
Excitation,recommended |
V |
9-12(DC) |
|
Creep(%FS/30min) |
0.02 |
Excitation,permition |
V |
6-18(DC) |
|
Input Resistance |
Ω |
350±3.5 |
Safe Overload |
%FS |
120 |
|
Output Resistance |
Ω |
350±3.5 |
Ultimate Overload |
%FS |
150 |
|
Insulation Resistance |
MΩ |
>5000(50VDC) |
Protection Class |
|
IP66 |
|
Zero Balance |
%FS |
1.0 |
Cable Length |
m |
6 |
|
Single shear beam, alloy steel, nickel-plated, adhesive-sealed,
suitable for vehicle scales, track scales, hopper scales and
other weighing devices.
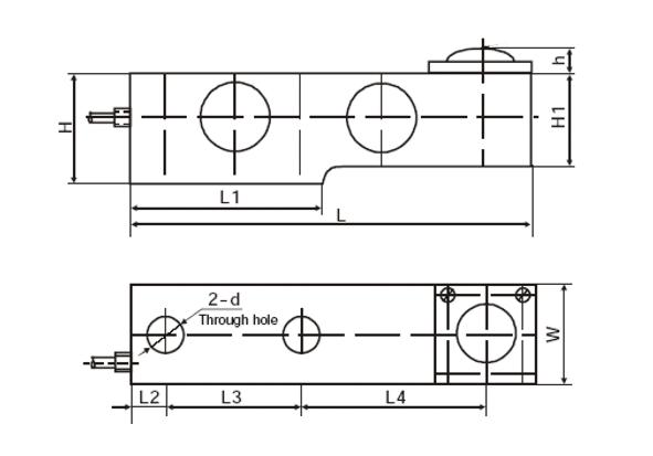
OUTLINE SIZE:

|
Capacity(t) |
L |
L1 |
L2 |
L3 |
L4 |
H |
H1 |
d |
W |
h |
|
0.5-2.5 |
203 |
102 |
63.5 |
63.5 |
98 |
43 |
37 |
¢13 |
37 |
18 |
|
3.4 |
203 |
102 |
63.5 |
63.5 |
98 |
52 |
44 |
¢17 |
40 |
18 |
|
5 |
235 |
118 |
66.5 |
66.5 |
124 |
52 |
48 |
¢21 |
48 |
20 |
|
8 |
235 |
118 |
74 |
74 |
114 |
52 |
48 |
¢21 |
48 |
20 |
|
10 |
279 |
140 |
83 |
83 |
140 |
82.6 |
60 |
¢27 |
60 |
30.4 |
|