ELC-L16

 

-L16 load cells are available for manifold accurate measurement in the capacity 500Kg.
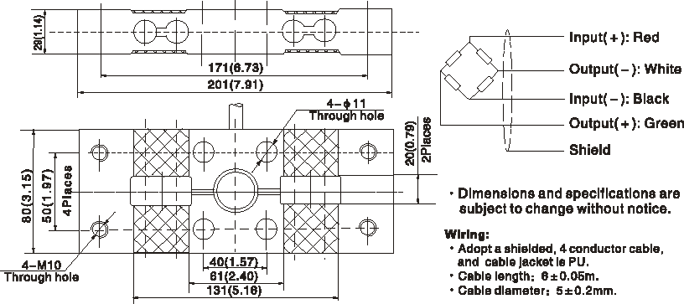
-Aluminum construction,silicon adhesive sealed,surface anodized and anti-corrosion.
-Integral structure and easy installation.
-They are suitable for electronic measuring system.

Important Features
-Capacities:500Kg.
-High accuracy.
-Aluminum parallel beam construction
 

SPECIFICATIONS:

Capacity

kg

500

Output sensitivity

mv/v

2.2±0.3

Accuracy class

G1

Temperature effect on zero

%FS/10℃

0.1

Temperature effect on
sensitivity

+20℃~+40℃

%FS/10℃

0.1

-10℃~+20℃

0.1

Combined error

%FS

0.1

Creep

%FS

0.1

Input resistance

Ω

1450 ± 50

Output resistance

Ω

1400 ± 20

Insulation resistance

M Ω

≥ 5000

Zero balance

%FS

2

Temperature,compensated

-10 ~ +40

Temperature,allowed

-20 ~ +50

Excitation,Recommended

V

5-15

Safe overload

%FS

150

Ultimate overload

%FS

300

 

 Outline Dimension mm(inch)

 


Back to Elane.net